
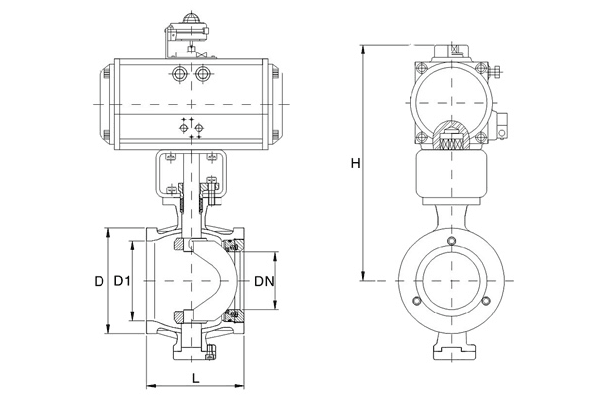
对夹V型气动球阀产品概述:
对夹V型气动球阀采用一体化结构,与动执行器相配,造型美观、轻便宜人,拆装快捷,操作灵活,性能卓越,配套简单,流通能力大,广泛应用于食品,环保,轻工,石油,造纸,化工,电力等行业的工业自动化系统中。

对夹V型气动球阀用途特点:
设计特征
阀体和端盖采用脱蜡精密铸造
阀杆防爆出设计
全流量通径浮动球
采用ISO5211直接安装执行器的高平台设计
球阀与球体之间带防静电装置
双碟形弹片自动压紧填料设计
球芯呈V形状,可实现线性调节,可调范围大。当阀门关闭时,V型缺口与阀座之间产楔形剪切作用,既具有自洁功能又能防止球芯卡死,特别适用于管线结垢冻结场合。适宜于控制纸浆、污水,含有纤维和颗粒固体悬浮介质钢砂及粉粒状介质。
对夹V型气动球阀性能规范:
|
产品型号 |
VQ677H |
|
产品口径 |
25-250MM |
|
产品压力 |
1.0Mpa-4.0Mpa |
|
阀体材质 |
铸钢,不锈钢304,316,316L |
|
球体材质 |
铸钢,不锈钢304,316,316L |
|
密封材质 |
PTEE,PPL,合金钢 |
|
适用温度 |
-29~+300℃ |
|
适用介质 |
水,气体,油品等 |
|
控制方式 |
开关型,调节型 |
|
驱动方式 |
手动、气动、电动 |
|
气动执行器 |
单双作用气动执行器 |
|
供气压力 |
0.4-0.8MPA |
|
气源接口 |
G1/4"、G1/8"、G3/8"、G1/2" |
|
作用形式 |
单作用气动执行器,双作用气动执行器 |
|
可配附件 |
电磁阀,限位开关,二联件,手轮机构等 |
气动执行器的主要零部件材料:
|
名称 |
ZMA气动执行器 |
|
缸体 |
铝合金型材质硬质阳极氧化 |
|
端盖 |
压铸铝合金环氧树脂喷涂 |
|
活塞 |
压铸铝 |
|
轴 |
钢镀镍磷合金 |
|
O型圈 |
NBR |
|
螺栓 |
304不锈钢 |